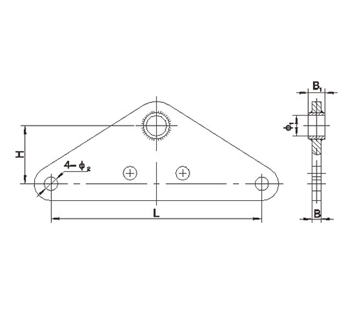
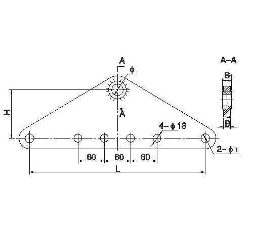
L-tyyppinen ikeenlevy
| 85 Vakiomalli | Päämitat | Nimellinen vikakuorma | Paino | ||||||
| B | B1 | Φ1 | Φ2 | H | L | ||||
| L-1040 | 16 | - | 20 | 18 | 70 | 400 | 100 | 4.5 | |
| L-1240 | 16 | - | 24 | 18 | 70 | 400 | 120 | 4.4 | |
| L-1640 | 18 | - | 26 | 20 | 100 | 400 | 160 | 6.2 | |
| L-2140 | 16 | 26 | 30 | 20 | 100 | 400 | 210 | 5.6 | |
| L-2052 | 16 | 26 | 30 | 26 | 100 | 520 | 200 | 8.0 | |
| L-2055 | 16 | 26 | 30 | 24 | 200 | 550 | 200 | 11.8 | |
| L-2540 | 16 | 30 | 33 | 24 | 110 | 400 | 250 | 9.0 | |
| L-3040 | 18 | 32 | 39 | 26 | 110 | 400 | 300 | 10.0 | |
| L-4255 | 24 | 38 | 45 | 30 | 250 | 550 | 420 | 24.4 | |
| L-5040 | 30 | 38 | 45 | 33 | 110 | 400 | 500 | 14.8 | |
| L-6045 | 32 | 42 | 51 | 39 | 200 | 450 | 600 | 25.5 | |
| L-6050 | 32 | 42 | 51 | 39 | 250 | 500 | 600 | 23.3 | |
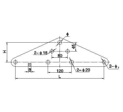
| Valtion verkkomalli | Päämitat | Nimellinen vikakuorma | Paino | |||||||
| B | Φ1 | Φ2 | H | L |
|
| ||||
| L-07-70 / 400 | 16 | 18 | 18 | 70 | 400 | 70 | 3.99 | |||
| L-07-70 / 500 | 16 | 18 | 18 | 70 | 500 | 70 | 4.97 | |||
| L-07-70 / 600 | 16 | 18 | 18 | 70 | 600 | 70 | 5.95 | |||
| L-10-100 / 450 | 16 | 20 | 18 | 100 | 450 | 100 | 5.44 | |||
| L-10-100 / 500 | 16 | 20 | 18 | 100 | 500 | 100 | 6.02 | |||
| L-10-100 / 600 | 16 | 20 | 18 | 100 | 600 | 100 | 7.2 | |||
| L-10-70 / 400 | 16 | 20 | 18 | 70 | 400 | 100 | 4.04 | |||
| L-10-70 / 500 | 16 | 20 | 18 | 70 | 500 | 100 | 5.03 | |||
| L-12-100 / 450 | 16 | 24 | 18 | 100 | 450 | 120 | 5.63 | |||
| L-12-100 / 500 | 16 | 24 | 18 | 100 | 500 | 120 | 6.22 | |||
| L-12-100 / 600 | 16 | 24 | 18 | 100 | 600 | 120 | 7.43 | |||
| L-10-70 / 400 | 16 | 24 | 18 | 70 | 400 | 120 | 4.2 | |||
| L-16-100 / 400 | 18 | 26 | 20 | 100 | 400 | 160 | 5.91 | |||
| L-16-100 / 450 | 18 | 26 | 20 | 100 | 450 | 160 | 6.61 | |||
| L-16-100 / 500 | 18 | 26 | 20 | 100 | 500 | 160 | 7.31 | |||
| L-16-100 / 600 | 18 | 26 | 20 | 100 | 600 | 160 | 8.72 | |||
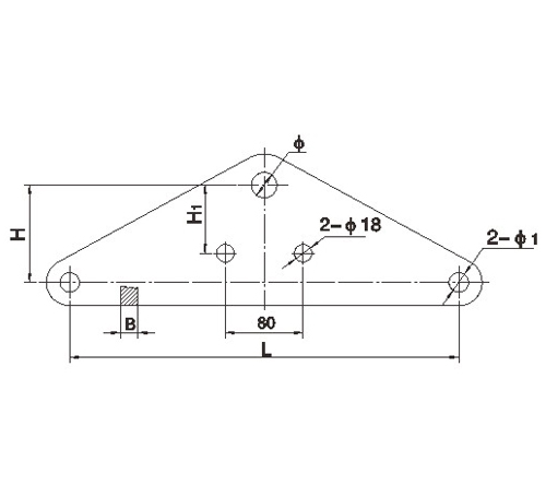
| Valtion verkkomalli | Päämitat | Nimellinen vikakuorma | Paino | |||||
| B | Φ | Φ1 | H | L | ||||
| L-07-120 / 400 | 16 | 18 | 18 | 120 | 400 | 70 | 5.35 | |
| L-07-120 / 500 | 16 | 18 | 18 | 120 | 500 | 70 | 6.61 | |
| L-10-120 / 500 | 16 | 20 | 18 | 120 | 500 | 100 | 6.68 | |
| Valtion verkkomalli | Päämitat | Nimellinen vikakuorma | Paino | ||||||
| H | H1 | Φ | Φ1 | B | L | ||||
| L-10J-70/400 | 70 | 70 | 20 | 18 | 16 | 400 | 100 | 4.1 | |
| L-10J-70/500 | 70 | 70 | 20 | 18 | 16 | 500 | 100 | 5.09 | |
| L-16J-100/400 | 100 | 70 | 26 | 20 | 18 | 400 | 160 | 5.98 | |
| L-16J-120/500 | 120 | 70 | 26 | 20 | 18 | 500 | 160 | 8.15 | |
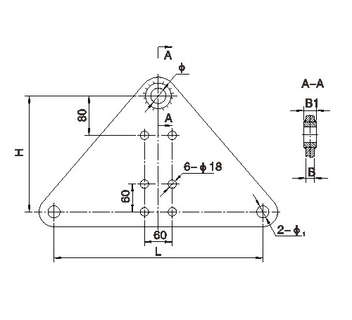
| Valtion verkkomalli | Päämitat | Nimellinen vikakuorma | Paino | ||||||||
| B | B1 | Φ | Φ1 | H | L |
|
| ||||
| L-10-250 / 450 | 16 | / | 20 | 18 | 250 | 450 | 100 | 10.19 | |||
| L-12-250 / 450 | 16 | / | 24 | 18 | 250 | 450 | 120 | 10.46 | |||
| L-25P-250/450 | 16 | 24 | 30 | 24 | 250 | 450 | 250 | 11.64 | |||
| L-32-250 / 450 | 18 | 28 | 33 | 26 | 250 | 450 | 320 | 13.71 | |||
| L-32P-250/450 | 18 | 28 | 33 | 26 | 250 | 450 | 320 | 13.71 | |||
| L-32P-250/500 | 18 | 28 | 33 | 26 | 250 | 500 | 320 | 14.8 | |||
| L-42P-250/500 | 20 | 32 | 39 | 26 | 250 | 500 | 420 | 16.77 | |||
| Valtion verkkomalli | Päämitat | Nimellinen vikakuorma | Paino | ||||||
| B | B1 | Φ | Φ1 | H | L | ||||
| L-21-110 / 400 | 16 | 20 | 26 | 20 | 110 | 400 | 210 | 5.56 | |
| L-21J-120/400 | 16 | 20 | 26 | 20 | 120 | 400 | 210 | 5.85 | |
| L-21-110 / 450 | 16 | 20 | 26 | 20 | 120 | 450 | 210 | 6.53 | |
| L-21-120 / 500 | 16 | 20 | 26 | 20 | 120 | 500 | 210 | 7.21 | |
| L-21J-120/500 | 16 | 20 | 26 | 20 | 120 | 500 | 210 | 7.21 | |
| L-21-130 / 600 | 16 | 20 | 26 | 20 | 130 | 600 | 210 | 8.98 | |
| L-25-110 / 400 | 16 | 24 | 30 | 24 | 110 | 400 | 250 | 6.32 | |
| L-25-130 / 450 | 16 | 24 | 30 | 24 | 130 | 450 | 250 | 7.69 | |
| L-25-130 / 500 | 16 | 24 | 30 | 24 | 130 | 500 | 250 | 8.47 | |
| L-25-130 / 600 | 16 | 24 | 30 | 24 | 130 | 600 | 250 | 10.04 | |
| L-32-130 / 400 | 18 | 28 | 33 | 26 | 130 | 400 | 320 | 8.17 | |
| L-32J-130/400 | 18 | 28 | 33 | 26 | 130 | 400 | 320 | 8.17 | |
| L-32J130/450 | 18 | 28 | 33 | 26 | 130 | 450 | 320 | 9.07 | |
| L-32J-130/450 | 18 | 28 | 33 | 26 | 130 | 450 | 320 | 9.07 | |
| L-32-130 / 500 | 18 | 28 | 33 | 26 | 130 | 500 | 320 | 9.98 | |
| L-32J-130/500 | 18 | 28 | 33 | 26 | 130 | 500 | 320 | 9.98 | |
| L-32-130 / 600 | 18 | 28 | 33 | 26 | 130 | 600 | 320 | 11.81 | |
| L-32J-130/600 | 18 | 28 | 33 | 26 | 130 | 600 | 320 | 11.81 | |
| L-32J-150/600 | 18 | 28 | 33 | 26 | 150 | 600 | 320 | 12.6 | |
| L-42-140 / 400 | 20 | 32 | 39 | 26 | 140 | 400 | 420 | 9.84 | |
| L-42-140 / 450 | 20 | 32 | 39 | 26 | 140 | 450 | 420 | 10.89 | |
| L-42J-140/450 | 20 | 32 | 39 | 26 | 140 | 450 | 420 | 10.89 | |
| L-42J-140/500 | 20 | 32 | 39 | 26 | 140 | 500 | 420 | 11.69 | |
| L-42-150 / 500 | 20 | 32 | 39 | 26 | 150 | 500 | 420 | 12.42 | |
| L-42-150 / 600 | 20 | 32 | 39 | 26 | 150 | 600 | 420 | 14.64 | |
| L-42J-160/600 | 20 | 32 | 39 | 26 | 160 | 600 | 420 | 14.87 | |
| L-42J-170/550 | 20 | 32 | 39 | 26 | 170 | 550 | 420 | 14.23 | |
| L-21 / 25-110 / 400 | 16 | 24 | 30 | 20 | 110 | 400 | 210 | 6.32 | |
| L-21 / 25-130 / 450 | 16 | 24 | 30 | 20 | 130 | 450 | 210 | 7.69 | |
| L-21 / 25-130 / 500 | 16 | 24 | 30 | 20 | 130 | 500 | 210 | 8.47 | |
| L-21 / 25-130 / 600 | 16 | 24 | 30 | 20 | 130 | 600 | 210 | 10.04 | |
| L-21 / 32-130 / 400 | 18 | 28 | 33 | 20 | 130 | 400 | 210 | 7.32 | |
| L-21 / 32-130 / 500 | 18 | 28 | 33 | 20 | 130 | 500 | 210 | 8.96 | |
| L-21 / 32-130 / 600 | 18 | 28 | 33 | 20 | 130 | 600 | 210 | 10.61 | |













